GEAR BOX PERFORMANCE INFORMATION
| Stage | Ratio | AD047 | AD064 | AD090 | AD110 | AD140 | AD200 | AD255 | |||
| Normal output torque | Nm | 1 | 4 | 19 | 48 | 130 | 270 | 560 | 1,100 | 1,700 | |
5 |
22 |
60 |
160 |
330 |
650 |
1,200 |
2,000 |
||||
| 6 | 55 | 150 | 310 | 600 | |||||||
| 7 | 19 | 50 | 140 | 300 | 550 | 1,100 | 1,800 | ||||
8 |
17 |
45 |
120 |
260 |
500 |
1,000 | 1,600 | ||||
10 |
14 |
40 |
100 |
230 |
450 |
520 |
1,220 |
||||
| 2 | 20 |
19 |
48 |
130 |
270 |
560 |
1,100 |
1,700 |
|||
25 |
22 |
60 |
160 |
330 |
650 |
1,200 | 2,000 | ||||
35 |
22 |
60 |
160 |
330 |
650 |
1,200 | 2,000 | ||||
40 |
22 |
48 |
130 |
270 |
560 |
1,200 | 2,000 | ||||
50 |
22 |
60 |
160 |
330 |
650 |
1.200 |
2,000 |
||||
60 |
55 |
150 |
310 |
600 |
|||||||
70 |
19 |
50 |
140 |
300 |
550 |
1,100 | 1,800 | ||||
| 80 | 45 | 120 | 260 | 500 | |||||||
| 100 | 14 | 40 | 100 | 230 | 450 | 520 | 1,220 | ||||
| Maximum output torque | Nm |
12 | 4~100 |
3 times nominal output torque | |||||||
| Normal input speed | pm |
12 | 4~100 |
5,000 | 5.000 |
4,000 | 4,000 | 3,000 | 3,000 | 2,000 | |
| Maximum input speed | rpm | 12 | 4~100 |
10,000 | 10,000 | 8,000 | 8,000 | 6,000 | 6,000 | 4,000 | |
| Backlash PO | arcmin | 1 | 4~100 |
≤1 |
≤1 | ≤1 |
≤1 |
≤1 |
|||
| 2 | 4~10 |
≤3 | ≤3 | ||||||||
| Backlash P1 | arcmin | 1 | 20~100 |
≤3 | ≤3 | ≤3 |
≤3 | ≤3 | ≤3 | ≤3 | |
| 2 | 4~10 |
≤5 |
≤5 | ≤5 |
≤5 | ≤5 |
≤5 |
≤5 |
|||
| Backlash P2 | arcmin | 1 | 20~100 |
≤5 |
≤5 | ≤5 |
≤5 | ≤5 |
≤5 | ≤5 |
|
| 2 | 4~10 |
≤7 |
≤7 |
≤7 |
≤7 |
≤7 |
≤7 |
≤7 |
|||
| Torsional stiffness | Nm/arcmin | 12 | 20~100 |
7 |
13 |
31 |
82 |
151 |
440 |
1,006 | |
| Maximum bending torque | Nm |
12 | 4~100 |
42.5 |
125 |
235 |
430 |
1,300 | 3,064 | 5,900 | |
| Maximum radial force | N |
12 | 4~100 |
1,080 | 2,110 | 2,310 | 4,800 | 6,200 | 5,450 | 10,600 | |
| Service life | hr |
12 | 4~100 |
20,000* | |||||||
| Efficiency at full load | % | 1 | 4~10 |
≥97% | |||||||
| 2 | 20~100 |
≥94% | |||||||||
| Gearbox weight | kg | 1 | 4~10 |
0.7 |
1.2 |
3.0 |
5.6 |
11.9 |
31.6 |
56.1 |
|
| 2 | 20~100 |
1.0 |
1.6 |
3.7 |
7.3 |
15.9 |
36.9 |
70.4 |
|||
| Operating temperature | ℃ |
12 | 4~100 |
10℃~+90℃ | |||||||
| Standard lubrication | 12 | 4~100 |
Synthetic grease | ||||||||
| Protection class | 12 | 4~100 |
IP65 |
||||||||
12 |
4~100 | Any | |||||||||
| Running noise(n=3000rpm) | dB | 12 | 4~100 | ≤56 | ≤58 | ≤60 | ≤63 | ≤65 | ≤67 | <70 | |
| Stage | Ratio | AD047 | AD064 | AD090 | AD110 | AD140 | AD200 | AD255 | ||
| Mass moment of inertia | kg ·cm | 1 | 4 |
0.03 | 0.14 | 0.51 | 2.87 | 7.54 | 25.03 | 58.31 |
5 |
0.03 |
0.13 |
0.47 |
2.71 |
7.42 |
23.29 |
53.27 |
|||
6 |
0.13 |
0.45 |
2.65 |
7.25 |
||||||
7 |
0.03 |
0.13 |
0.45 |
2.62 |
7.14 |
22.48 |
50.97 |
|||
| 8 | 0.03 | 0.13 | 0.45 | 2.58 | 7.07 | 22.48 | 50.97 | |||
10 |
0.03 |
0.13 |
0.44 |
2.57 |
7.03 |
22.51 |
50.56 |
|||
| 2 | 20 |
0.03 |
0.03 |
0.13 |
0.47 |
2.71 |
7.42 |
23.29 |
||
25 |
0.03 |
0.03 |
0.13 |
0.47 |
2.71 |
7.42 |
23.29 |
|||
35 |
0.03 |
0.03 |
0.13 |
0.47 |
2.71 |
7.42 |
23.29 |
|||
40 |
0.03 |
0.03 |
0.13 |
0.44 |
2.57 |
7.03 |
22.51 |
|||
50 |
0.03 |
0.03 |
0.13 |
0.44 |
2.57 |
7.03 |
22.51 |
|||
60 |
0.03 |
0.13 |
0.44 |
2.57 |
||||||
70 |
0.03 |
0.03 |
0.13 |
0.44 |
2.57 |
7.03 |
22.5 |
|||
| 80 | 0.03 | 0.13 | 0.44 | 2.57 | ||||||
| 100 | 0.03 | 0.03 | 0.13 | 0.44 | 2.57 | 7.03 | 22.51 | |||
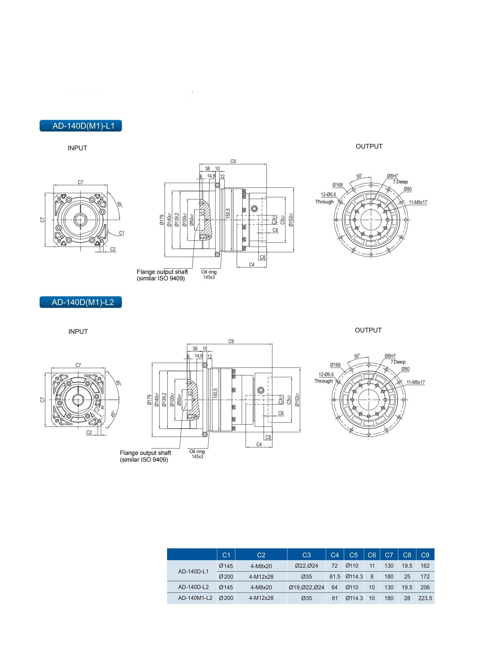
High-Precision Series
90-Degree Gearbox
Helical Tooth Design
Heavy-Duty Deep Groove Ball Or Angular Contact Bearings
Reinforced rotating shaft oil seal
Extra Large Circular Output Flange
Integrated structure of sun gear and input shaft
Integrated double support design planet carrier
Keyed output shaft (parallel key)
Industrial-grade grease
Food-safe lubricant
Cryogenic lubricant
Standard coating
Electrostatically applied paint
Inertia-reduced clamping
Shaft diameter-specific clamp
Motor interface customizatio






